法蘭軟密封蝶閥

法蘭連接中心板式蝶閥綜合了偏心法蘭蝶閥和中線對夾蝶閥的部分優點,填補了偏心法蘭蝶閥與中線對夾蝶閥之間的一塊空白。本閥啟閉件是一個圓盤形的蝶板,在閥體內繞自身的軸線旋轉,從而達到啟閉或調節作用。驅動方式:手動、氣動、電動。
產品特點
適用于溫度≤120℃,公稱壓力≤1.6MPa的食品、醫藥、化工、石油、電力、輕紡、造紙等給排水、氣體管道上作調節流量和截流介質的作用。
其主要特點為:
1、設計新穎、合理,結構獨特,啟閉迅速;雙向密封性能優良,扭矩值小,零件加工性能優越。
2、操力矩小,操作方便,省力靈巧;流量特性趨于直線, 調節性能好。
3、法蘭連接安裝便捷,立式、臥式安裝均可。
4、密封件可以更換,密封性能可靠達到雙向密封零泄漏。
5、密封材料耐老化、耐腐蝕,使用壽命長等特點。
6、閥門可用于管端作放空閥用,性能可靠。

PN 1.0Mpa
PN 1.6Mpa
產品特點
適用于溫度≤120℃,公稱壓力≤1.6MPa的食品、醫藥、化工、石油、電力、輕紡、造紙等給排水、氣體管道上作調節流量和截流介質的作用。
其主要特點為:
1、設計新穎、合理,結構獨特,啟閉迅速;雙向密封性能優良,扭矩值小,零件加工性能優越。
2、操力矩小,操作方便,省力靈巧;流量特性趨于直線, 調節性能好。
3、法蘭連接安裝便捷,立式、臥式安裝均可。
4、密封件可以更換,密封性能可靠達到雙向密封零泄漏。
5、密封材料耐老化、耐腐蝕,使用壽命長等特點。
6、閥門可用于管端作放空閥用,性能可靠。

| 主要性能參數: | |
| 公稱壓力 | PN 1.0/1.6Mpa |
| 適用溫度 | ≤120℃ |
| 適用介質 | 水、空氣、食品、油品 |
| 主要零部件 | 閥體、閥瓣、閥桿、閥座、轉軸 |
| 主要材料 | 球墨鑄鐵、碳鋼 |
PN 1.0Mpa
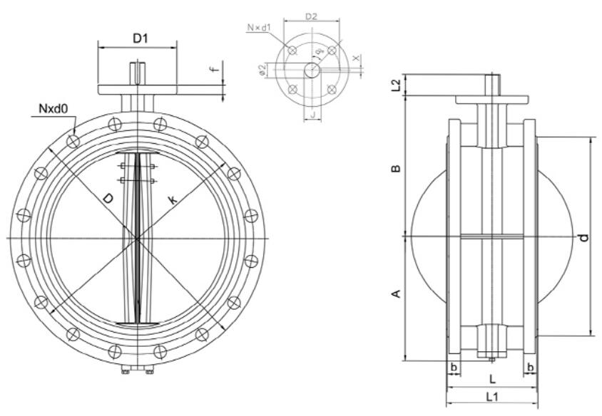
| DN | A | B | b | f | D | K | d | F | N*d0 | L | L1 | D1 | D2 | N-d1 | a° | J | X | L2 | Φ2 | 重量kg |
| 50 | 83 | 120 | 19 | 3 | 165 | 125 | 99 | 13 | 4*Φ19 | 108 | 111 | 65 | 50 | 4-Φ7 | 45 | 13.8 | 3 | 32 | 12.6 | 7.6 |
| 65 | 93 | 130 | 19 | 3 | 185 | 145 | 118 | 13 | 4*Φ19 | 112 | 115 | 65 | 50 | 4-Φ7 | 45 | 13.8 | 3 | 32 | 12.6 | 9.7 |
| 80 | 100 | 145 | 19 | 3 | 200 | 160 | 132 | 13 | 8*Φ19 | 114 | 117 | 65 | 50 | 4-Φ7 | 45 | 13.8 | 3 | 32 | 12.6 | 10.6 |
| 100 | 114 | 155 | 19 | 3 | 220 | 180 | 156 | 13 | 8*Φ19 | 127 | 130 | 90 | 70 | 4-Φ10 | 45 | 17.77 | 5 | 32 | 15.77 | 13.8 |
| 125 | 125 | 170 | 19 | 3 | 250 | 210 | 184 | 13 | 8*Φ19 | 140 | 143 | 90 | 70 | 4-Φ10 | 45 | 20.92 | 5 | 32 | 18.92 | 18.2 |
| 150 | 143 | 190 | 19 | 3 | 285 | 240 | 211 | 13 | 8*Φ23 | 140 | 143 | 90 | 70 | 4-Φ10 | 45 | 20.92 | 5 | 32 | 18.92 | 21.7 |
| 200 | 170 | 205 | 20 | 3 | 340 | 295 | 266 | 13 | 8*Φ23 | 152 | 155 | 125 | 102 | 4-Φ12 | 45 | 24.1 | 5 | 45 | 22.1 | 31.8 |
| 250 | 198 | 235 | 22 | 3 | 395 | 350 | 319 | 13 | 12*Φ23 | 165 | 168 | 125 | 102 | 4-Φ12 | 45 | 31.45 | 8 | 45 | 28.45 | 44.7 |
| 300 | 223 | 280 | 24.5 | 4 | 445 | 400 | 370 | 20 | 12*Φ23 | 178 | 182 | 125 | 102 | 4-Φ12 | 45 | 34.6 | 8 | 45 | 31.6 | 57.9 |
| 350 | 270 | 310 | 24.5 | 4 | 505 | 460 | 429 | 20 | 16*Φ23 | 190 | 194 | 150 | 125 | 4-Φ14 | 45 | 34.6 | 8 | 45 | 31.6 | 81.6 |
| 400 | 300 | 340 | 24.5 | 4 | 565 | 515 | 480 | 20 | 16*Φ28 | 216 | 221 | 175 | 140 | 4-Φ18 | 45 | 36.15 | 10 | 51 | 33.15 | 106 |
| 450 | 340 | 375 | 25.5 | 4 | 615 | 565 | 530 | 20 | 20*Φ28 | 222 | 227 | 175 | 140 | 4-Φ18 | 45 | 40.95 | 10 | 51 | 38 | 147 |
| 500 | 355 | 430 | 26.5 | 4 | 670 | 620 | 582 | 22 | 20*Φ28 | 229 | 234 | 175 | 140 | 4-Φ18 | 45 | 44.12 | 10 | 57 | 41.15 | 165 |
| 600 | 410 | 500 | 30 | 5 | 780 | 725 | 682 | 22 | 20*Φ31 | 267 | 272 | 210 | 165 | 4-Φ22 | 45 | 51.62 | 16 | 70 | 50.65 | 235 |
| 700 | 478 | 560 | 32.5 | 5 | 895 | 840 | 794 | 30 | 24*Φ31 | 292 | 299 | 300 | 254 | 8-Φ18 | 22.5 | 71.35 | 18 | 66 | 63.35 | 238 |
| 800 | 529 | 620 | 35 | 5 | 1015 | 950 | 901 | 30 | 24*Φ34 | 318 | 325 | 300 | 254 | 8-Φ18 | 22.5 | 71.35 | 18 | 66 | 63.35 | 475 |
| 900 | 584 | 665 | 37.5 | 5 | 1115 | 1050 | 1001 | 34 | 28*Φ34 | 330 | 337 | 300 | 254 | 8-Φ18 | 22.5 | 84 | 20 | 118 | 75 | 595 |
| 1000 | 657 | 735 | 40 | 5 | 1230 | 1160 | 1112 | 34 | 28*Φ37 | 410 | 417 | 300 | 254 | 8-Φ18 | 22.5 | 95 | 22 | 142 | 85 | 794 |
| 1200 | 799 | 917 | 45 | 5 | 1455 | 1380 | 1328 | 34 | 32*Φ40 | 470 | 478 | 350 | 298 | 8-Φ22 | 22.5 | 117 | 28 | 150 | 105 | 1290 |
| 1400 | 919 | 1040 | 46 | 5 | 1675 | 1590 | 1530 | 40 | 36*Φ44 | 530 | 538 | 415 | 356 | 8-Φ33 | 22.5 | 134 | 32 | 200 | 120 | 2130 |
| 1500 | 965 | 1050 | 47.5 | 5 | 1785 | 1700 | 1630 | 40 | 36*Φ44 | 570 | 580 | 415 | 356 | 8-Φ32 | 22.5 | 156 | 36 | 200 | 140 | 3020 |
| 1600 | 1045 | 1150 | 49 | 5 | 1915 | 1820 | 1700 | 50 | 40*Φ50 | 600 | 610 | 415 | 356 | 8-Φ32 | 22.5 | 156 | 36 | 200 | 140 | 3560 |
| 1800 | 1280 | 1290 | 52 | 5 | 2115 | 2020 | 1914 | 55 | 44*Φ50 | 670 | 682 | 475 | 406 | 8-Φ40 | 22.5 | 178 | 40 | 280 | 160 | 4620 |
| 2000 | 1350 | 1323 | 55 | 5 | 2325 | 2230 | 2130 | 55 | 48*Φ50 | 760 | 772 | 475 | 406 | 8-Φ40 | 22.5 | 178 | 40 | 280 | 160 | 6160 |
| 2200 | 1430 | 1500 | 60 | 5 | 2555 | 2440 | 2320 | 55 | 52*Φ56 | 636 | 648 | 560 | 483 | 12-Φ40 | 15 | 200 | 45 | 300 | 180 | 6730 |
| 2400 | 1523 | 1560 | 68 | 5 | 2760 | 2650 | 2530 | 55 | 56*Φ56 | 750 | 762 | 686 | 603 | 20-Φ40 | 9 | 242 | 50 | 400 | 220 | 9586 |
PN 1.6Mpa
| DN | A | B | b | f | D | K | d | F | N*d0 | L | L1 | D1 | D2 | N-d1 | a° | J | X | L2 | Φ2 | 重量kg |
| 50 | 83 | 120 | 19 | 3 | 165 | 125 | 99 | 13 | 4*Φ19 | 108 | 111 | 65 | 50 | 4-Φ7 | 45 | 13.8 | 3 | 32 | 12.6 | 7.6 |
| 65 | 93 | 130 | 19 | 3 | 185 | 145 | 118 | 13 | 4*Φ19 | 112 | 115 | 65 | 50 | 4-Φ7 | 45 | 13.8 | 3 | 32 | 12.6 | 9.7 |
| 80 | 100 | 145 | 19 | 3 | 200 | 160 | 132 | 13 | 8*Φ19 | 114 | 117 | 65 | 50 | 4-Φ7 | 45 | 13.8 | 3 | 32 | 12.6 | 10.6 |
| 100 | 114 | 155 | 19 | 3 | 220 | 180 | 156 | 13 | 8*Φ19 | 127 | 130 | 90 | 70 | 4-Φ10 | 45 | 17.77 | 5 | 32 | 15.77 | 13.8 |
| 125 | 125 | 170 | 19 | 3 | 250 | 210 | 184 | 13 | 8*Φ19 | 140 | 143 | 90 | 70 | 4-Φ10 | 45 | 20.92 | 5 | 32 | 18.92 | 18.2 |
| 150 | 143 | 190 | 19 | 3 | 285 | 240 | 211 | 13 | 8*Φ23 | 140 | 143 | 90 | 70 | 4-Φ10 | 45 | 20.92 | 5 | 32 | 18.92 | 21.7 |
| 200 | 170 | 205 | 20 | 3 | 340 | 295 | 266 | 13 | 12*Φ23 | 152 | 155 | 125 | 102 | 4-Φ12 | 45 | 24.1 | 5 | 45 | 22.1 | 31.8 |
| 250 | 198 | 235 | 22 | 3 | 405 | 355 | 319 | 13 | 12*Φ28 | 165 | 168 | 125 | 102 | 4-Φ12 | 45 | 31.45 | 8 | 45 | 28.45 | 44.7 |
| 300 | 223 | 280 | 24.5 | 4 | 460 | 410 | 370 | 20 | 12*Φ28 | 178 | 182 | 125 | 102 | 4-Φ12 | 45 | 34.6 | 8 | 45 | 31.6 | 59 |
| 350 | 270 | 310 | 26.5 | 4 | 520 | 470 | 429 | 20 | 16*Φ28 | 190 | 194 | 150 | 125 | 4-Φ14 | 45 | 36.15 | 10 | 45 | 33.15 | 86 |
| 400 | 300 | 340 | 28 | 4 | 580 | 525 | 480 | 20 | 16*Φ31 | 216 | 221 | 175 | 140 | 4-Φ18 | 45 | 40.95 | 10 | 51 | 37.95 | 119 |
| 450 | 340 | 375 | 30 | 4 | 640 | 585 | 530 | 20 | 20*Φ31 | 222 | 227 | 175 | 140 | 4-Φ18 | 45 | 45.96 | 12 | 51 | 42.86 | 165 |
| 500 | 355 | 430 | 31.5 | 4 | 715 | 650 | 582 | 22 | 20*Φ34 | 229 | 234 | 210 | 165 | 4-Φ22 | 45 | 49.22 | 14 | 57 | 45.72 | 185 |
| 600 | 410 | 500 | 36 | 5 | 840 | 770 | 682 | 22 | 20*Φ37 | 267 | 272 | 300 | 254 | 8-Φ18 | 22.5 | 57.98 | 15 | 70 | 53.98 | 263 |
| 700 | 478 | 560 | 39.5 | 5 | 910 | 840 | 794 | 30 | 24*Φ37 | 292 | 299 | 300 | 254 | 8-Φ18 | 22.5 | 71.35 | 18 | 66 | 63.35 | 361 |
| 800 | 529 | 620 | 43 | 5 | 1025 | 950 | 901 | 30 | 24*Φ41 | 318 | 325 | 350 | 298 | 8-Φ22 | 22.5 | 79 | 20 | 66 | 70 | 484 |
| 900 | 584 | 665 | 46.5 | 5 | 1125 | 1050 | 1001 | 34 | 28*Φ41 | 330 | 337 | 350 | 298 | 8-Φ22 | 22.5 | 90 | 22 | 118 | 80 | 598 |
| 1000 | 657 | 735 | 50 | 5 | 1255 | 1170 | 1112 | 34 | 28*Φ44 | 410 | 417 | 350 | 298 | 8-Φ22 | 22.5 | 100 | 25 | 142 | 90 | 824 |
| 1200 | 799 | 917 | 57 | 5 | 1485 | 1380 | 1328 | 34 | 32*Φ50 | 470 | 478 | 415 | 356 | 8-Φ33 | 22.5 | 117 | 28 | 150 | 105 | 1223 |
| 1400 | 919 | 1040 | 60 | 5 | 1685 | 1590 | 1530 | 40 | 36*Φ50 | 530 | 538 | 415 | 356 | 8-Φ33 | 22.5 | 134 | 32 | 200 | 120 | 2386 |
| 1500 | 965 | 1050 | 62.5 | 5 | 1820 | 1710 | 1630 | 40 | 36*Φ57 | 570 | 580 | 415 | 356 | 8-Φ32 | 22.5 | 156 | 36 | 200 | 140 | 3475 |
| 1600 | 1045 | 1150 | 65 | 5 | 1930 | 1820 | 1700 | 50 | 40*Φ57 | 600 | 610 | 415 | 365 | 8-Φ32 | 22.5 | 156 | 36 | 200 | 140 | 4055 |
| 1800 | 1156 | 1260 | 70 | 5 | 2130 | 2020 | 1914 | 55 | 44*Φ57 | 670 | 682 | 475 | 406 | 8-Φ40 | 22.5 | 178 | 40 | 280 | 160 | 5570 |
| 2000 | 1350 | 1323 | 75 | 5 | 2345 | 2230 | 2130 | 55 | 48*Φ62 | 760 | 772 | 475 | 406 | 8-Φ40 | 22.5 | 178 | 40 | 280 | 160 | 7240 |





