電動通風蝶閥

產品簡介:
電動通風蝶閥產品廣泛應用于各種通風除塵管路雙向啟閉及燃氣調節設備,適用于冶金、礦山、水泥、化工、發電、工業爐等行業的燃氣調節、通風除塵及環境保護系統之中。
產品特性Product characteristics
①閥體、閥板均用鋼板焊接加工而成,重量輕、結構簡單、安裝方便
②蝶板與閥體間的膨脹間隙大,能有效防止因熱漲冷縮造成的卡死現象。
③內無連桿、螺栓等、工作可靠、有效延長了使用壽命長。
驅動力矩小,啟閉靈活無摩擦,操作方便,閥門使用壽命長
可以多工位安裝,不受介質流向影響。
采用中線式碟板與短結構鋼板焊接的新型結構形式設計制造的,避免高溫膨脹的影響,操作輕便。
適用于通風系統、空調系統、高溫煙氣中的開關切斷和流量調節作用。
適用于低壓狀態的空氣或其它氣體的流量、壓力控制,此外也適用于高溫狀態的氣體及蝕性介質等。
產品參數Product parameters
產品參數Product parameters
產品資料Product information
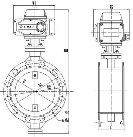
1.電動通風蝶閥安裝尺寸圖表
2.電動通風蝶閥安裝尺寸
3.電動通風蝶閥性能規范
4.電動通風蝶閥主要零部件材質
電動通風蝶閥產品廣泛應用于各種通風除塵管路雙向啟閉及燃氣調節設備,適用于冶金、礦山、水泥、化工、發電、工業爐等行業的燃氣調節、通風除塵及環境保護系統之中。
產品特性Product characteristics
①閥體、閥板均用鋼板焊接加工而成,重量輕、結構簡單、安裝方便
②蝶板與閥體間的膨脹間隙大,能有效防止因熱漲冷縮造成的卡死現象。
③內無連桿、螺栓等、工作可靠、有效延長了使用壽命長。
可以多工位安裝,不受介質流向影響。
采用中線式碟板與短結構鋼板焊接的新型結構形式設計制造的,避免高溫膨脹的影響,操作輕便。
適用于通風系統、空調系統、高溫煙氣中的開關切斷和流量調節作用。
適用于低壓狀態的空氣或其它氣體的流量、壓力控制,此外也適用于高溫狀態的氣體及蝕性介質等。
| 公稱通徑 | DN50~DN2000 | |
| 工作電源 | AC220V,AC380V, DC24V | |
| 介質溫度 | 0-600℃(備選) | |
| 公稱壓力 | 0.1~0.6MPa | |
| 試驗壓力 | 密封0.15Mpa;殼體0.11Mpa | |
| 適用介質 | 含塵煙氣、空氣、煤氣 | |
| 輸入信號 | 4-20mA/0-5V~10V(備選) | |
| 輸出信號 | 4-20mA/0-5V~10V(備選) | |
| 連接方式 | 法蘭式 | |
| 流量特性 | 線性/等百分比特性 | |
| 控制方式 | 調節或開關式控制 | |
| 密封形式 | 開放式、后座式(超高溫適用)、密封式(常溫適用) | |
| 試驗壓力 | 殼體實驗 | 0.15MPa |
| 密封試驗 | 0.11MPa | |
| 閥體材質 | A3鋼、耐熱鋼 SUS304不銹鋼、SUS316不銹鋼 | |
| 閥板材質 | A3鋼、耐熱鋼 SUS304不銹鋼、SUS316不銹鋼 | |
| 填料材質 | 襯四氟、石墨 | |
| 防護等級 | IP67 | |
| 制造標準 | JB/T8692-199 | |
| 產品設計與制造 | GB/T122381989、API609標準 | |
| 產品檢查與實驗 | GB/T139271992、API598標準 | |
| 側法蘭連接 | GB9115.88、GB9113.3~5-88、ASME B16.5CL.150,CL.300及ASME B16.47CL.150標準。 | |
產品參數Product parameters
產品參數Product parameters
產品資料Product information
1.電動通風蝶閥安裝尺寸圖表
| 規格 | D | D1 | L | B | C | n-Φd | H1 | H2 | W1 | W2 |
| mm/0.6 | ||||||||||
| MPa | ||||||||||
| 50 | 140 | 110 | 108 | 14 | 3 | 4-Φ14 | 200 | 70 | 196 | 145 |
| 65 | 160 | 130 | 112 | 14 | 3 | 4-Φ14 | 210 | 80 | 196 | 145 |
| 80 | 190 | 150 | 114 | 14 | 3 | 4-Φ18 | 220 | 95 | 196 | 145 |
| 100 | 205 | 170 | 127 | 14 | 3 | 4-Φ18 | 240 | 105 | 196 | 145 |
| 125 | 235 | 200 | 140 | 14 | 3 | 8-Φ18 | 260 | 120 | 196 | 145 |
| 150 | 260 | 225 | 140 | 16 | 3 | 8-Φ18 | 280 | 132 | 196 | 145 |
| 200 | 315 | 280 | 152 | 18 | 3 | 8-Φ18 | 320 | 160 | 196 | 145 |
| 250 | 370 | 335 | 165 | 22 | 3 | 12-Φ18 | 350 | 187 | 196 | 145 |
| 300 | 435 | 395 | 178 | 22 | 4 | 12-Φ22 | 370 | 220 | 196 | 145 |
| 350 | 485 | 445 | 190 | 22 | 4 | 12-Φ22 | 390 | 245 | 196 | 145 |
| 400 | 535 | 495 | 216 | 22 | 4 | 16-Φ22 | 420 | 270 | 196 | 145 |
| 450 | 590 | 550 | 222 | 24 | 4 | 16-Φ22 | 450 | 297 | 196 | 145 |
| 500 | 640 | 600 | 229 | 24 | 4 | 20-Φ22 | 460 | 322 | 196 | 145 |
| 600 | 755 | 705 | 267 | 24 | 5 | 20-Φ28 | 520 | 377 | 196 | 145 |
| 700 | 860 | 810 | 292 | 28 | 5 | 24-Φ26 | 600 | 430 | 255 | 184 |
| 800 | 975 | 920 | 318 | 28 | 5 | 24-Φ30 | 650 | 487 | 255 | 184 |
| 900 | 1075 | 1020 | 330 | 28 | 5 | 24-Φ30 | 700 | 537 | 255 | 184 |
| 1000 | 1175 | 1120 | 410 | 28 | 5 | 28-Φ30 | 750 | 587 | 255 | 184 |
| 1200 | 1405 | 1340 | 470 | 28 | 5 | 32-Φ33 | 860 | 702 | 255 | 184 |
| 1300 | 1475 | 1420 | 510 | 32 | 5 | 36-Φ30 | 920 | 4760 | 255 | 184 |
| 1400 | 1630 | 1560 | 530 | 32 | 5 | 36-Φ30 | 940 | 782 | 255 | 184 |
| 1500 | 1690 | 1630 | 580 | 32 | 5 | 40-Φ36 | 1080 | 860 | 255 | 184 |
| 1600 | 1830 | 1760 | 600 | 32 | 5 | 40-Φ36 | 1100 | 895 | 255 | 184 |
| 1800 | 2045 | 1970 | 670 | 34 | 5 | 44-Φ39 | 1160 | 995 | 255 | 184 |
| 2000 | 2265 | 2180 | 760 | 34 | 5 | 48-Φ42 | 1280 | 1095 | 255 | 184 |
3.電動通風蝶閥性能規范
| 公稱通徑DN | DN100-DN2000 | |
| 公稱壓力PN | 0.1 MPa | |
| 試驗壓力 | 殼體實驗 | 0.15MPa |
| 密封試驗 | 0.11MPa | |
| 工作溫度℃ | <200℃,<450℃,特殊:<600℃ | |
| 適用介質 | 含塵煙氣、空氣、煤氣 | |
4.電動通風蝶閥主要零部件材質
| 零件名稱 | 材料 |
| 閥體 | Q235-B、20、20g、304等 |
| 閥板 | |
| 轉軸 | 45、40Cr、304等 |
| 填料 | YS250F等 |
| 手柄 | KTH33008 |





